Solve displacements statically determinate structures subjected to temperature influences

Solve displacements statically determinate structures subjected to temperature influences#

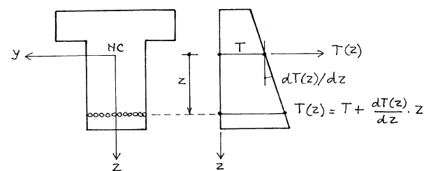
../../../../../_images/image26.png

Fig. 79 Figure 7.3 Hartsuijker and Welleman (2007)#

This topic is treated in chapter 6.2.1 of the book Mechanica, Statisch onbepaalde constructies en bezwijkanalyse (in Dutch) (Hartsuijker and Welleman, 2007). Only the part of the kinematic equivalent moment line is relevant (no ‘momentenvlakstelling’).